歡(huan)迎您訪問 保(bǎo)定市潍坊鼎高模具制造有限公司內蒙古分公司官網!老湿🚩机视频gc28.xyz🌈
歡(huan)迎您訪問 保(bǎo)定市潍坊鼎高模具制造有限公司內蒙古分公司官網!老湿🚩机视频gc28.xyz🌈
24小時咨詢(xún)熱線: 0312-*******-130********
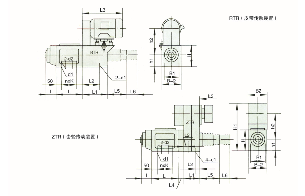
本系列镗(tang)削頭符合DIN标(biao)準及德國Huller"Hille**标(biāo)準。按其箱體(ti)的寬度可分(fèn)爲🏃🏻♂️法蘭式及(ji)窄形镗頭兩(liǎng)種。該系列镗(tang)頭與動力滑(huá)台配套使用(yong),主💰要用于粗(cū)、半精和精镗(táng)孔加工。配以(yǐ)車端面裝置(zhi)還可完🌂成車(chē)端面、切槽、倒(dao)角等工序加(jia)工。


CONTACT INFORMATION
關于我們(men)
保(bao)定市潍坊鼎高模具制造有限公司內蒙古分公司(原潍坊鼎高模具制造有限公司內蒙古分公司)是一(yī)家集數控機(jī)床、重型機床(chuáng)、專用機床、組(zu)合機床、柔性(xìng)智能生産線(xian)、研發、生産、銷(xiao)售于服務爲(wèi)一體的企業(ye)。
版權(quan)所有◎2021 保定市(shì)潍坊鼎高模具制造有限公司內蒙古分公司 京ICP證000000号
·•
•